Jolly Clamp is a T-Bolt Clamp manufacturer serving many top companies in a variety of industries with various types of clamps in large quantities. When it comes to providing Engineering solutions, Jolly TB Model Clamps or T-Bolt Clamps provide highest quality & consistency to keep your connections together & leakproof
Jolly T-Bolt Clamps serves in a wide variety of industries while meeting industry specified demand & keeping edge over Quality product supplies. Our products commonly used industries and applications such as:

Holds IATF 16949, ISO 45001, and ISO 14001 certifications, ensuring high standards.
Products meet RoHS standards, demonstrating commitment to environmental responsibility.
Acts as a "one-stop" provider for diverse clamping needs.
Boasts over 5 decades of manufacturing expertise.
Supplies JOLLY brand clamps to over 80% of OEM and Aftermarket in India.
Exports to North and South America, Europe, and Russia.
Specializes in producing customized clamps.
Emphasizes the importance of lowest lead time.
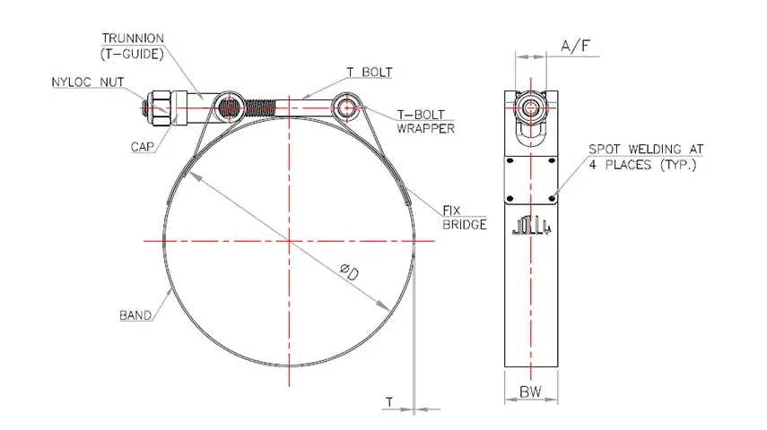
The T-Bolt Clamp with Fixed Bridge is designed to provide a high-strength, durable, and leak-proof connection. It ensures uniform clamping force and 360° sealing, making it ideal for applications requiring robust and reliable hose connections.
Jolly T-Bolt Clamps are widely used in: ● Automotive applications ● Filter systems ● Marine applications ● Genset systems ● Agriculture and irrigation systems ● Heavy-duty trucks and earth-moving equipment ● Industrial applications
The fixed bridge construction ensures guided tightening, providing uniform clamping force around the hose. This feature prevents puckering and ensures a leak-proof connection.
Jolly T-Bolt Clamps are available in: ● SS300 grade stainless steel ● SS316 grade stainless steel (suitable for marine applications) ● SS200 grade stainless steel with plated carbon steel parts All carbon steel parts are zinc-plated per industry and global export standards for enhanced durability and corrosion resistance.
The band edges are rounded to prevent hose biting or cutting, ensuring the hose remains intact and functional.
The self-locking nut configuration can withstand temperatures up to 250°F (121°C), making it suitable for high-temperature environments.
The self-locking nut design prevents the clamp from loosening under heavy vibrations, ensuring a secure and leak-proof connection in demanding environments such as automotive, marine, and industrial applications.